Dobond adopts excellent technology and scientific management to guarantee the first-class products in the field.
In automotive applications, axis damper is mainly used for automotive door handles, pull handles, rear seats, eyeglass cases, etc. It can also be used for appliance covers and hidden sockets.
In automotive applications, axis damper is mainly used for automotive door handles, pull handles, rear seats, eyeglass cases, etc. It can also be used for appliance covers and hidden sockets.
Key Features & Benefits
——
▪ 80 patents covering all dampers
▪ 100% tested
▪ High stability under stress
▪ Compact design
▪ R&D testing and vertification
▪ Satisfying customer needs
▪ Lifetime: 30000 cycles (23°C ambient temperature)
▪ Conditions: 1 cycle=1 revolutions forward-1 revolutions backward
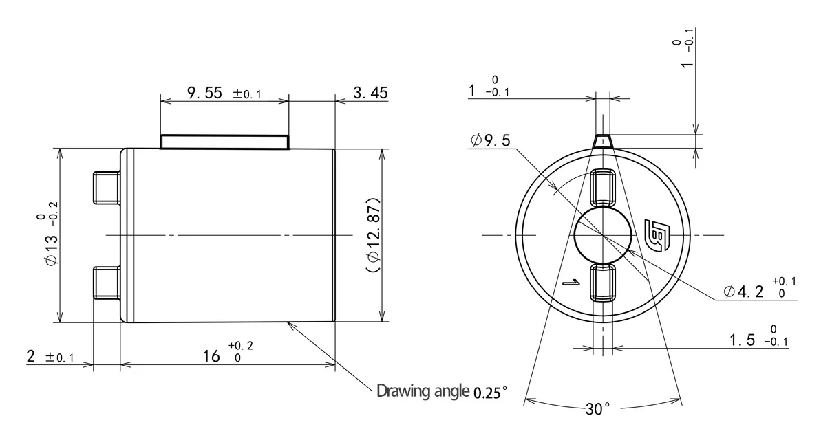
Drawing
——
Technical Specifications
——
|
Torque Specification (N.cm) |
Gear Color |
|
100B=10±1.5Ncm |
Pink |
|
80B=8±1.1Ncm |
Yellow |
|
60B=6±0.85Ncm |
Green |
|
50B=5±0.85Ncm |
Natural |
|
100W=10±1.5Ncm |
Pink |
|
80W=8±1.1Ncm |
Yellow |
|
60W=6±0.85Ncm |
Green |
|
50W=5±0.85Ncm |
Natural |
Key Features & Benefits
——
▪ 80 patents covering all dampers
▪ 100% tested
▪ High stability under stress
▪ Compact design
▪ R&D testing and vertification
▪ Satisfying customer needs
▪ Lifetime: 30000 cycles (23°C ambient temperature)
▪ Conditions: 1 cycle=1 revolutions forward-1 revolutions backward
Drawing
——
Technical Specifications
——
|
Torque Specification (N.cm) |
Gear Color |
|
100B=10±1.5Ncm |
Pink |
|
80B=8±1.1Ncm |
Yellow |
|
60B=6±0.85Ncm |
Green |
|
50B=5±0.85Ncm |
Natural |
|
100W=10±1.5Ncm |
Pink |
|
80W=8±1.1Ncm |
Yellow |
|
60W=6±0.85Ncm |
Green |
|
50W=5±0.85Ncm |
Natural |