Dobond adopts excellent technology and scientific management to guarantee the first-class products in the field.
Suitable for automobile folding table boards, storage boxes, motorcycle back covers, engineering seat armrests, etc., providing precise positioning and damping cushioning.
▪ Type: Embedded hinge
▪ Range of Motion: 360 degrees
Suitable for automobile folding table boards, storage boxes, motorcycle back covers, engineering seat armrests, etc., providing precise positioning and damping cushioning.
▪ Type: Embedded hinge
▪ Range of Motion: 360 degrees
Key Features & Benefits
——
▪ 80 patents covering all hinges
▪ Compact design, suitable for diverse applications
▪ Available in multiple torque options
▪ Stable dynamic and static performance
▪ Equal resistance in both directions
▪ Lifetime: 30000 cycles (23°C ambient temperature)
▪ Operating temperature of the product: -40°C~90°C
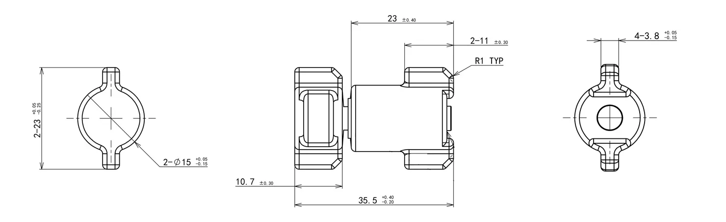
Drawing
——
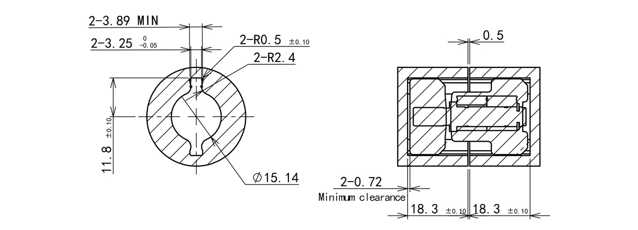
Assembly Size
——

Technical Specifications
——
|
Product model |
Torque Specification (N.m) |
|
H02026 |
2.08-3.12N.m |
Key Features & Benefits
——
▪ 80 patents covering all hinges
▪ Compact design, suitable for diverse applications
▪ Available in multiple torque options
▪ Stable dynamic and static performance
▪ Equal resistance in both directions
▪ Lifetime: 30000 cycles (23°C ambient temperature)
▪ Operating temperature of the product: -40°C~90°C
Drawing
——
Assembly Size
——

Technical Specifications
——
|
Product model |
Torque Specification (N.m) |
|
H02026 |
2.08-3.12N.m |