Dobond adopts excellent technology and scientific management to guarantee the first-class products in the field.
Push-Push latches are mainly used for automotive cup holders, storage boxes, SOS buttons, coat hooks, etc., to achieve precise opening, closing and locking
▪ Sound: sound
Push-Push latches are mainly used for automotive cup holders, storage boxes, SOS buttons, coat hooks, etc., to achieve precise opening, closing and locking
▪ Sound: sound
Key Features & Benefits
——
▪ 80 patents covering all latches
▪ 100% tested
▪ High stability under stress
▪ Compact design
▪ R&D testing and vertification
▪ Satisfying customer needs
▪ Lifetime: 30000 cycles (23°C ambient temperature)
▪ Operating temperature of the product: -40°C~90°C
Drawing
——

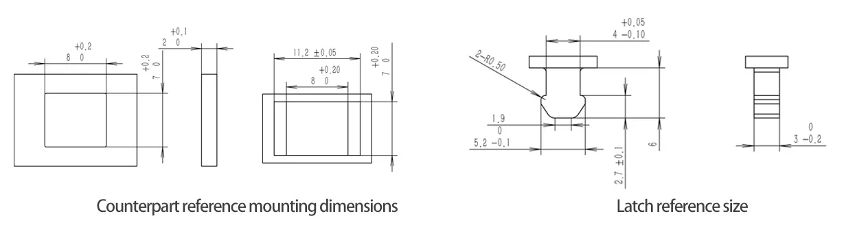
Assembly Size
——

Technical Specifications
——
|
Operation force(N) |
5N |
|
Latching disengagement force(N) |
>25N |
Key Features & Benefits
——
▪ 80 patents covering all latches
▪ 100% tested
▪ High stability under stress
▪ Compact design
▪ R&D testing and vertification
▪ Satisfying customer needs
▪ Lifetime: 30000 cycles (23°C ambient temperature)
▪ Operating temperature of the product: -40°C~90°C
Drawing
——

Assembly Size
——

Technical Specifications
——
|
Operation force(N) |
5N |
|
Latching disengagement force(N) |
>25N |