Dobond adopts excellent technology and scientific management to guarantee the first-class products in the field.
The return mechanism is customized for the glove box, with buffer and self-locking functions to ensure smooth opening and closing.
▪ Mechanical unlocking
The return mechanism is customized for the glove box, with buffer and self-locking functions to ensure smooth opening and closing.
▪ Mechanical unlocking
Key Features & Benefits
——
▪ 80 patents covering all return systems
▪ 100% tested
▪ High stability under stress
▪ Compact design
▪ R&D testing and vertification
▪ Satisfying customer needs
▪ Lifetime: 30000 cycles (23°C ambient temperature)
▪ Operating temperature of the product: -30°C~80°C
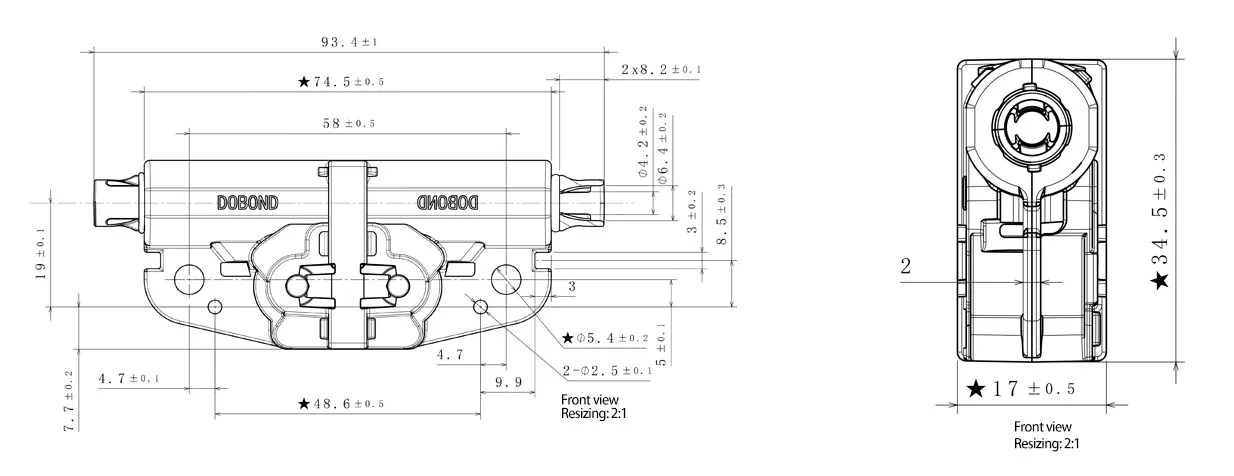
Drawing
——
Assembly Size
——
Technical Specifications
——
|
Stroke(mm) |
<10mm |
|
Length(mm) |
Initial total length: 93.4mm, Limit length: 115mm |
|
Pull force(N) |
8±1N |
Key Features & Benefits
——
▪ 80 patents covering all return systems
▪ 100% tested
▪ High stability under stress
▪ Compact design
▪ R&D testing and vertification
▪ Satisfying customer needs
▪ Lifetime: 30000 cycles (23°C ambient temperature)
▪ Operating temperature of the product: -30°C~80°C
Drawing
——
Assembly Size
——
Technical Specifications
——
|
Stroke(mm) |
<10mm |
|
Length(mm) |
Initial total length: 93.4mm, Limit length: 115mm |
|
Pull force(N) |
8±1N |