Dobond adopts excellent technology and scientific management to guarantee the first-class products in the field.
Gear damper can be used in automotive interior parts such as center armrest locks, cup holders, adjustable headrests/armrests, sun visors, storage boxes, etc. It can also be used in home appliances, office supplies covers, etc.
Gear damper can be used in automotive interior parts such as center armrest locks, cup holders, adjustable headrests/armrests, sun visors, storage boxes, etc. It can also be used in home appliances, office supplies covers, etc.
Key Features & Benefits
——
▪ 80 patents covering all dampers
▪ 100% tested
▪ High stability under stress
▪ Compact design
▪ R&D testing and vertification
▪ Satisfying customer needs
▪ Lifetime: 50000 cycles (23°C ambient temperature)
▪ Conditions: 1 cycle=1 revolutions forward-1 revolutions backward
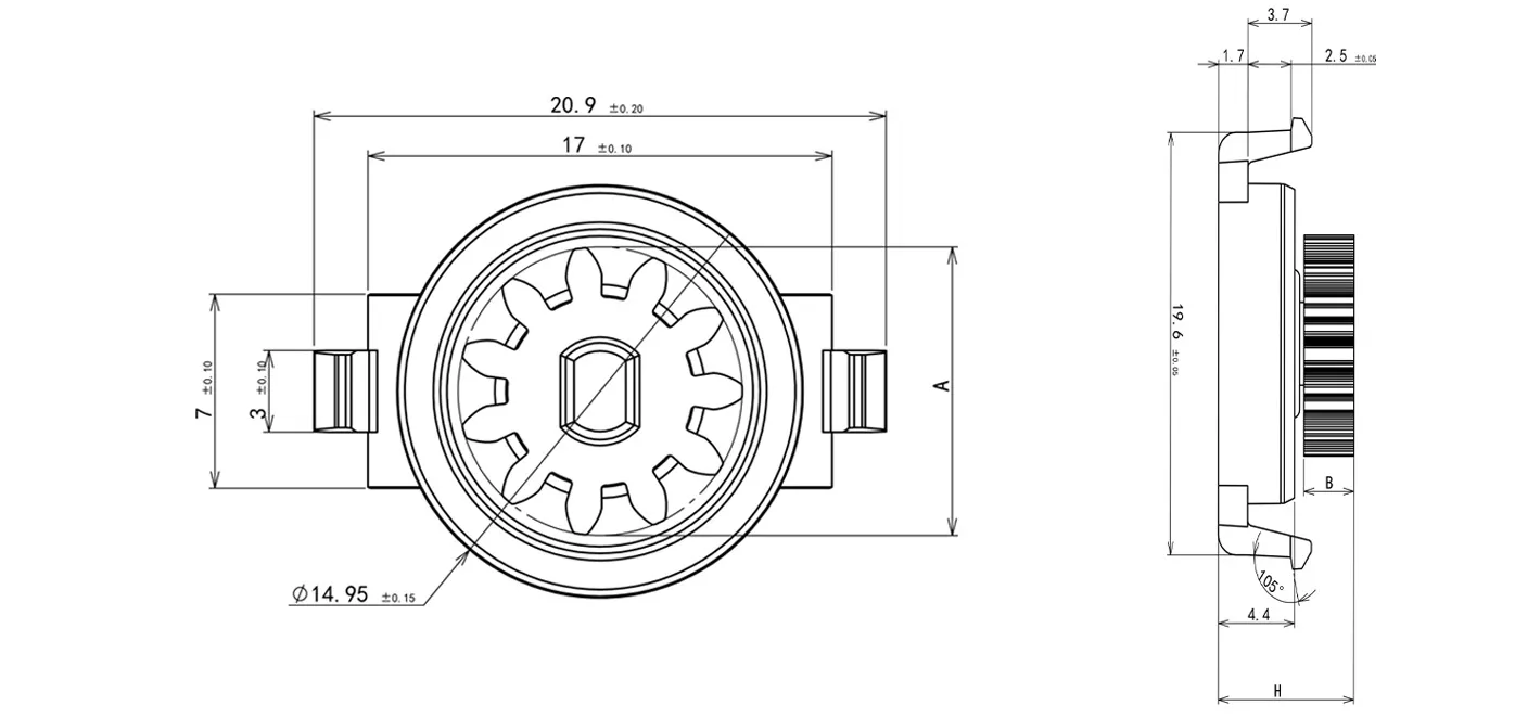
Drawing
——

Technical Specifications
——
|
Torque Specification (N.cm) |
Gear Color |
|
290=2.9±0.40Ncm |
White |
|
220=2.2±0.35Ncm |
Orange |
|
150=1.5±0.25Ncm |
Pink |
|
120=1.2±0.20Ncm |
Blue |
|
110=1.1±0.20Ncm |
Grey |
|
095=0.95±0.18Ncm |
Red |
|
080=0.80±0.15Ncm |
Natural |
|
060=0.60±0.17Ncm |
Black |
|
045=0.45±0.12Ncm |
Brown |
|
030=0.30±0.10Ncm |
Green |
|
025=0.25±0.08Ncm |
Yellow |

Key Features & Benefits
——
▪ 80 patents covering all dampers
▪ 100% tested
▪ High stability under stress
▪ Compact design
▪ R&D testing and vertification
▪ Satisfying customer needs
▪ Lifetime: 50000 cycles (23°C ambient temperature)
▪ Conditions: 1 cycle=1 revolutions forward-1 revolutions backward
Drawing
——

Technical Specifications
——
|
Torque Specification (N.cm) |
Gear Color |
|
290=2.9±0.40Ncm |
White |
|
220=2.2±0.35Ncm |
Orange |
|
150=1.5±0.25Ncm |
Pink |
|
120=1.2±0.20Ncm |
Blue |
|
110=1.1±0.20Ncm |
Grey |
|
095=0.95±0.18Ncm |
Red |
|
080=0.80±0.15Ncm |
Natural |
|
060=0.60±0.17Ncm |
Black |
|
045=0.45±0.12Ncm |
Brown |
|
030=0.30±0.10Ncm |
Green |
|
025=0.25±0.08Ncm |
Yellow |
